SGK1314-60A Datasheet (SUMITOMO)

Part SGK1314-60A
Description Ku-Band Internally Matched GaN-HEMT
Manufacturer SUMITOMO
Size 164.31 KB
Pricing from 1025.97 USD, available from Component Distributors Inc..
SUMITOMO

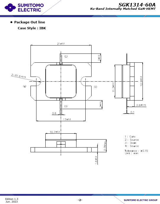
SGK1314-60A Overview

Key Specifications

Description

The SGK1314-60A is a high power GaN-HEMT that is internally matched for standard communication bands to provide optimum power and gain in a 50ohm system. ABSOLUTE MAXIMUM RATING (Case Temperature Tc=25 deg.C) Item Symbol Drain-Source Voltage VD S Gate-Source Voltage VG S Total Power Dissipation PT Storage Temperature T s tg Channel Temperature Tch Case Temperature T c as e Input Power Pin Rating 26 - 10 225 -55 to +125 +250 -40 to +125 <=46 RECOMMENDED OPERATING CONDITION Item Drain-Source Voltage Forward Gate Current Reverse Gate Current Channel Temperature Symbol VD S IG F IG R Tch Condition Rg=51ohm Rg=51ohm Item Symbol Condition Saturated Drain Current Trans Conductance Pinch-off Voltage Frequency Range Output Power at Pin=43dBm Linear Gain at Pin=27dBm Power Gain at Pout=44.5dBm Drain Current at Pin=43dBm Power Added Efficiency at Pin=43dBm Gain Flatness at Pin=27dBm 3rd Order Intermodulation Distortion ID SS Gm VP f Pout GL GP ID SR PAE ΔG IM3 Rth VD S =10V, VG S =0V VD S =24V, ID S =1.8A VD S =10V, ID S =1.8mA VD S =24V(t yp.) IDS(DC )=1.8A(typ.) Vgs- c onst ant f=13.75GHz, 14.5GHz Δf=10MHz, 2-tone Test Pout=41.5dBm (S.C.L.) Channel to Case (Tc=25deg.C, Pdis s =43.2W) Min.

Key Features

  • High Output Power: Pout=48.0dBm (Typ.)
  • High Gain: GL=8.5dB (Typ.)
  • High Power Added Efficiency: PAE=32% (Typ.)
  • Broad Band: 13.75 to 14.5GHz
  • Hermetically Sealed Package

Price & Availability

Seller Inventory Price Breaks Buy
Component Distributors Inc. 0 1+ : 1025.97 USD View Offer