• Part: SGK1314-60B
  • Description: ku-Band Internally Matched GaN-HEMT
  • Manufacturer: SUMITOMO
  • Size: 235.01 KB
Download SGK1314-60B Datasheet PDF
SUMITOMO
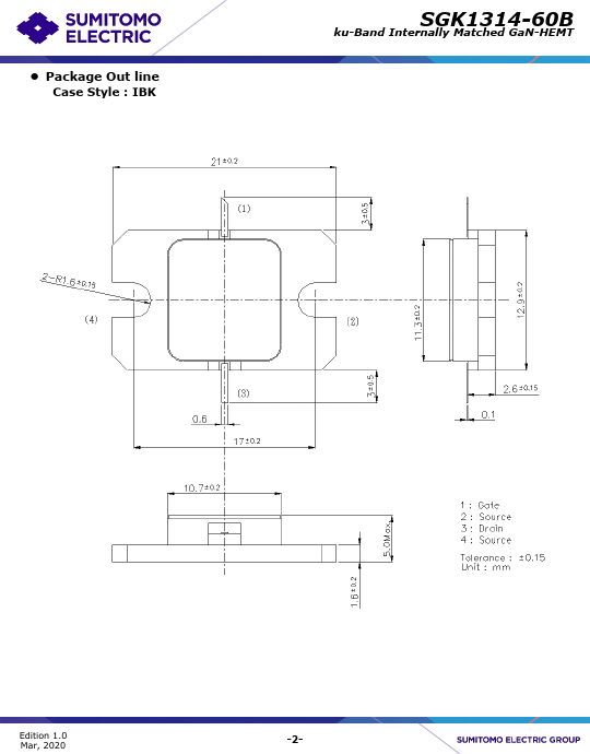
SGK1314-60B
SGK1314-60B is ku-Band Internally Matched GaN-HEMT manufactured by SUMITOMO.
Features - Broad Band: 13.75 to 14.5GHz - High Output Power: Pout=48d Bm (Typ.) - Excellent IM3 with wide offset freq. : Δf=~250MHz - Suitable for multi carrier signal - Internally Matched - Hermetically Sealed Package - Description The SGK1314-60B is a high power Ga N-HEMT that is internally matched for Ku-band Wide-VBW Application, and have good IMD performance at offset frequency up to 250MHz. Gate-Source Voltage Total Power Dissipation Storage Temperature Channel Temperature Casel Temperature Input Power VG S PT T s tg Tch T c as e Pin - 10 225 -55 to 125 250 -40 to 125 46 V W deg.C deg.C deg.C d Bm REMENDED OPERATING CONDITION Item Drain-Source Voltage Forward Gate Current Reverse Gate Current Channel Temperature Symbol VD S IG F IG R Tch Condition Rg=51ohm Rg=51ohm Limit <=24 <=20.2 >=- 6.4 <+193 Unit V m A m A deg.C ELECTRICAL CHARACTERISTICS (Case Temperature Tc=25deg.C) Item Symbol Condition Saturated Drain Current Pinch-off Voltage Frequency Range Outpur Power at Pin=43d Bm Linear Gain at Pin=27d Bm Power Gain at Pout=44.5d Bm Drain Current at Pin=43d Bm Power Added Efficiency at Pin=43d Bm Gain Flatness at Pin=27d Bm ID SS Vp f Pout GL GP ID SR PAE ⊿G VD S =10V, VG S =0V VD S =10V, ID S =1.8m A VD S =24V- t yp. IDS(DC )=1.8A-typ. Vgs- c onst ant Min. - 13.75 47.0 7.5 6.0 - Limit Typ. 21.0 - 3.6 48.0 8.5 7.0 6.6 32 - Max. - 14.5 - 9.1 - 1.6 Unit A V GHz d Bm d B d B A % d B 3rd Order Inter modulation Distortion f=13.75,...