• Part: SSD1362
  • Description: 16 Gray Scale Dot Matrix High Power OLED/PLED Segment/Common Driver
  • Manufacturer: Solomon Systech
  • Size: 484.71 KB
Download SSD1362 Datasheet PDF
Solomon Systech
SSD1362
SSD1362 is 16 Gray Scale Dot Matrix High Power OLED/PLED Segment/Common Driver manufactured by Solomon Systech.
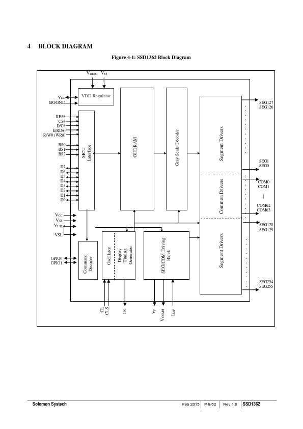
DESCRIPTION SSD1362 is a single-chip CMOS OLED/PLED driver with controller for organic/polymer light emitting diode dot-matrix graphic display. It consists of 256 segments and 64 mons. This IC is designed for mon Cathode type OLED/PLED panel. SSD1362 displays data directly from its internal 256 x 64 x 4 bits Graphic Display Data RAM (GDDRAM). Data/mands are sent from general MCU through the hardware selectable I2C Interface, 6800-/8080-series patible Parallel Interface or Serial Peripheral Interface. The 256 steps contrast control and oscillator which embedded in SSD1362 reduces the number of external ponents. SSD1362 is suitable for portable applications requiring a pact size and high output brightness, such as set-top box, car audio, wearable electronics, etc. 2 FEATURES - Resolution: 256 x 64 dot matrix panel - Power supply: o VCC = 10.0V - 20.0V (Panel driving power supply) o VDDIO = 1.65V - VCI (MCU interface logic level) o VCI = 1.65V - 3.5V (Low voltage power supply) o VDD = 1.65V - 2.6V (Core VDD power supply) o When VCI is lower than 2.6V, VDD should be tied to VCI and supplied by external power source o When VCI is higher than 2.6V, VDD is internally regulated and a stabilizing capacitor is needed - Programmable Frame Rate and Multiplexing Ratio - On-Chip Oscillator - For matrix display o Segment maximum source current: 600u A o mon maximum sink current: 128m A o 256 step contrast brightness current control, 16 step master current control - 16 gray scale level supported by embedded 256 x 64 x 4 bit SRAM display buffer - 8 bit programmable Gray Scale Look Up Table - Hardware selectable MCU Interfaces: o 8-bit 6800/8080-series parallel interface o 3 /4 wire Serial Peripheral Interface o I2C Interface (Up to 400kbit/s) - Power on reset (POR) - Internal IREF or external IREF - Row Re-mapping and Column Re-mapping - Wide range of operating temperatures: -40°C to 85°C 3 ORDERING INFORMATION Table 3-1: Ordering Information Ordering Part Number...