Datasheet4U Logo Datasheet4U.com

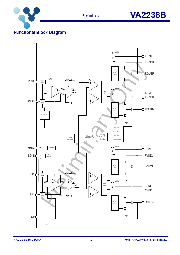
VA2238B - Low EMI Stereo Class D Audio Amplifier

The VA2238B by Viva Electronics is a Low EMI Stereo Class D Audio Amplifier. Below is the official datasheet preview.

📥 Download Datasheet

Official preview page of the VA2238B Low EMI Stereo Class D Audio Amplifier datasheet (Viva Electronics).

Datasheet Details

Part number VA2238B
Manufacturer Viva Electronics
File Size 850.72 KB
Description Low EMI Stereo Class D Audio Amplifier
Datasheet download datasheet VA2238B-VivaElectronics.pdf
Additional preview pages of the VA2238B datasheet.

VA2238B Product details

Features

Other Datasheets by Viva Electronics
Published: |