Datasheet4U Logo Datasheet4U.com

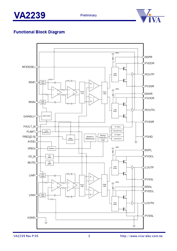
VA2239 - Filterless Class D Audio Amplifier

The VA2239 by Viva Electronics is a Filterless Class D Audio Amplifier. Below is the official datasheet preview.

📥 Download Datasheet

Official preview page of the VA2239 Filterless Class D Audio Amplifier datasheet (Viva Electronics).

Datasheet Details

Part number VA2239
Manufacturer Viva Electronics
File Size 1.96 MB
Description Filterless Class D Audio Amplifier
Datasheet download datasheet VA2239-VivaElectronics.pdf
Additional preview pages of the VA2239 datasheet.

VA2239 Product details

Features

Other Datasheets by Viva Electronics
Published: |