Datasheet4U Logo Datasheet4U.com

74HC4017D, 74HC4017 - Johnson decade counter

74HC4017D Description

74HC4017; 74HCT4017 Johnson decade counter with 10 decoded outputs Rev.8 * 27 March 2024 Product data sheet 1.General .
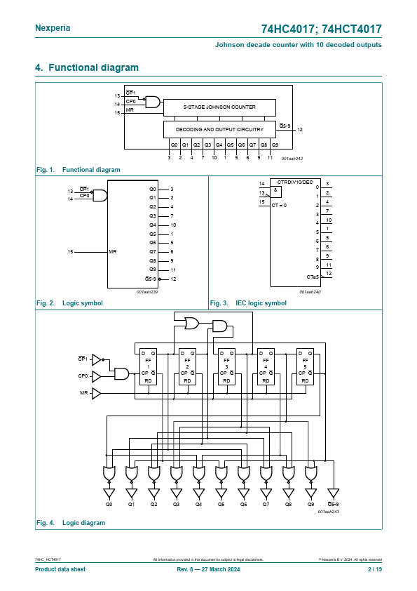
The 74HC4017; 74HCT4017 is a 5-stage Johnson decade counter with 10 decoded outputs (Q0 to Q9), an output from the most significant flip-flop (Q5-9),.

74HC4017D Features

* Wide supply voltage range from 2.0 V to 6.0 V
* CMOS low power dissipation
* High noise immunity
* Latch-up performance exceeds 100 mA per JESD 78 Class II Level B
* Complies with JEDEC standards:
* JESD8C (2.7 V to 3.6 V)
* JESD7A (2.0 V to

📥 Download Datasheet

This datasheet PDF includes multiple part numbers: 74HC4017D, 74HC4017. Please refer to the document for exact specifications by model.
datasheet Preview Page 2 datasheet Preview Page 3

Datasheet Details

Part number
74HC4017D, 74HC4017
Manufacturer
nexperia ↗
File Size
310.94 KB
Datasheet
74HC4017-nexperia.pdf
Description
Johnson decade counter
Note
This datasheet PDF includes multiple part numbers: 74HC4017D, 74HC4017.
Please refer to the document for exact specifications by model.

📁 Related Datasheet

  • 74HC4017 - Johnson decade counter (NXP)
  • 74HC40102 - 8-bit synchronous BCD down counter (Philips)
  • 74HC40103 - 8-bit synchronous binary down counter (NXP)
  • 74HC40104 - 4-bit bidirectional universal shift register (Philips)
  • 74HC40105 - 4-bit x 16-word FIFO register (NXP)
  • 74HC4015 - Dual 4-bit serial-in/parallel-out shift register (Philips)
  • 74HC4016 - Quad bilateral switches (Philips)
  • 74HC4002 - Dual 4-input NOR gate (NXP)

📌 All Tags

nexperia 74HC4017D-like datasheet