Datasheet4U Logo Datasheet4U.com

NCP302155R Integrated Driver and MOSFET

📥 Download Datasheet  Datasheet Preview Page 1

Description

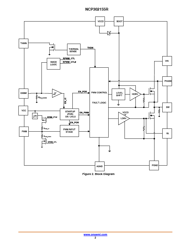
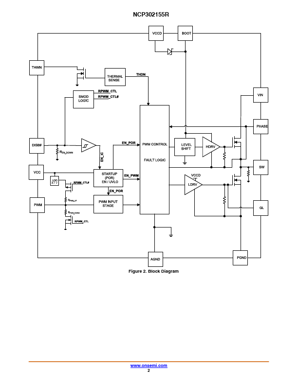
Integrated Driver and MOSFET NCP302155R The NCP302155R integrates a MOSFET driver, high *side MOSFET and low *side MOSFET into a single .
Pin No.

📥 Download Datasheet

Preview of NCP302155R PDF
datasheet Preview Page 2 datasheet Preview Page 3

Features

* Capable of Average Currents up to 55 A
* Capable of Peak Currents up to 80 A
* Capable of Switching at Frequencies up to 2 MHz
* Compatible with 3.3 V or 5 V PWM Input
* Responds Properly to 3
* level PWM Inputs
* Internal Bootstrap Diode

NCP302155R Distributors

📁 Related Datasheet

  • NCP304 - Voltage Detector (ON)
  • NCP305 - Voltage Detector (ON)
  • NCP3163 - Switching Regulator (On Semiconductor)
  • NCP3296 - 40A Stackable Synchronous Buck Regulator (onsemi)
  • NCP345 - Overvoltage Protection (ON)
  • NCP346 - Overvoltage Protection (onsemi)

📌 All Tags

ON Semiconductor NCP302155R-like datasheet