Datasheet Details
| Part number | NLA9535C, NLA9535 |
|---|---|
| Manufacturer | ON Semiconductor ↗ |
| File Size | 230.60 KB |
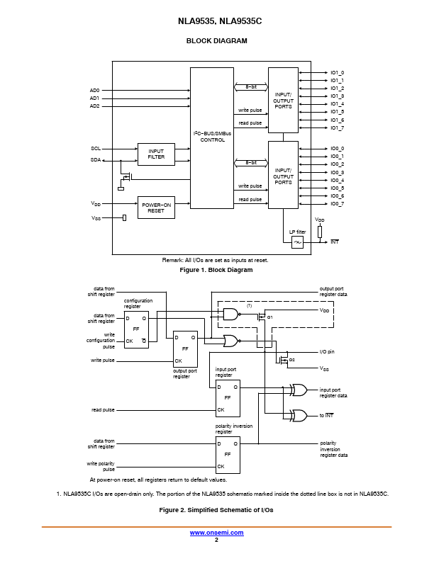
| Description | Low-Power 16-bit I/O Expander |
| Datasheet |
|
| Note |
This datasheet PDF includes multiple part numbers: NLA9535C, NLA9535. Please refer to the document for exact specifications by model. |

