2SB1184 Overview
Features Low VCE(sat) plements the 2SD1760 RoHS pliant with Halogen-free PNP Silicon Epitaxial Planar Transistor 2SB1184 Case: UL flammability classification rating 94V-0 Terminals: September 2025 [2.0] .gmesemi.
2SB1184 Key Features
- Low VCE(sat)
- plements the 2SD1760
- RoHS pliant with Halogen-free
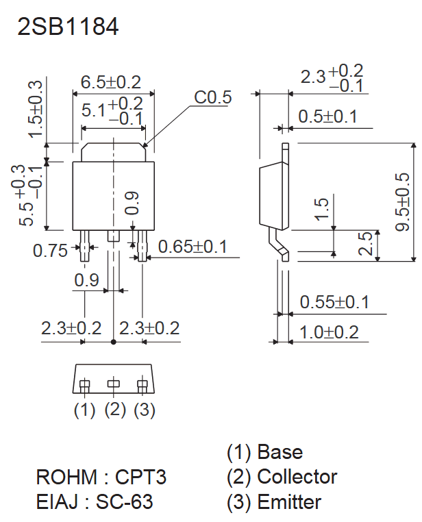
- Case: TO-252
- Molding pound: UL flammability classification rating 94V-0
- Terminals: Tin-plated; solderability per MIL-STD-202, Method 208
- 55 ~ +150 -55 ~ +150
- Collector-emitter Saturation Voltage
- IC(mA)
- VCESAT(mV)



